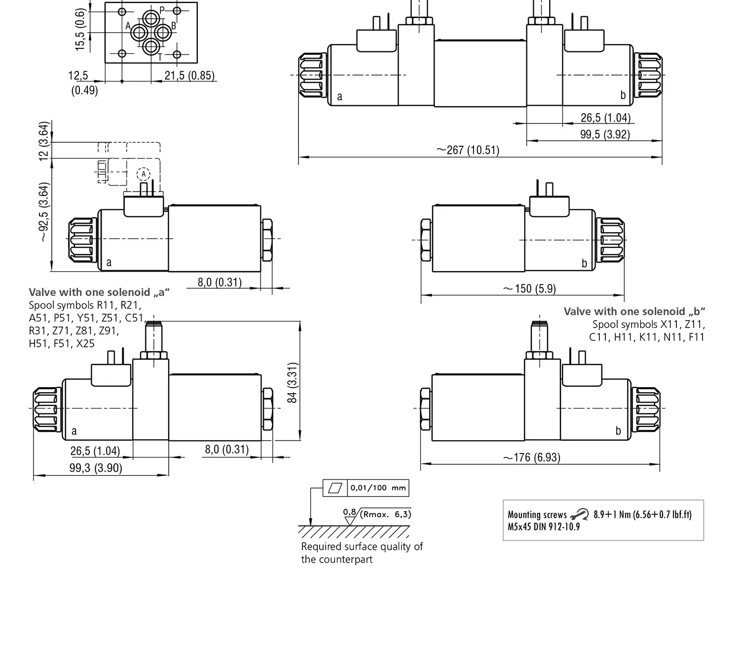
ARGO-HYTOS電磁閥RPE3- 063Y11/02400E1雅歌輝托斯062R11/Z/C/H/X






RPE3- 063Y11/02400E1,RPE3- 063Z11/02400E1
RPE3- 062R11/02400E1,RPE3- 062X11/02400E1
RPE3- 063Y11/02700E1,RPE3-063H11 交流110V
RPE3- 063H11/02400E1,RPE3- 063Y11/01200E1
RPE3- 063Z11/01200E1,RPE3-062R11/02300E1
RPE3-063H11/01200E1,RPE3- 063Y11/02400E1-A
RPE3-063C11/02400E1K1/M,RPE3-062R11/23050E5-A
RPE3-063H11/23050E5,RPE3-063C11/01200E1
RPE3- 063Z11/02400E1-A,RPE3-063Z11/02400E1
RPEW4-063Z11/02400EW1K50,RPE3-062Y51/02400E1K1
RPE3-062Z11/02400E1,RPE3- 063Y11/23000E1
RPE3-062X11/20500E1,RPE3-062X11/20500E1帶防水線
RPE3-062R11/02400E1,RPE3-062X11/02400E1
RPE3-062X11/02400E1K1,RPE3-063Y11/02400E1
16211500-C22B-20500E1-線圈,RPE3-063Y11/02400E1T1V
RPE3-042R91/02400E1,RPE3-063C11/02400E1
RPE3-062X11/01200E1,RPE3-063H11/02400E1
RPE3-062R11/01200E1,RPE3-062Z51/02700E1
205V線圈配2米防水插頭線,RPE3-062H51/02400E1T1-A
RPE3-063Z11/01200E1,RPE3-062X11/02700E1-A
RPE3-062R11/20500E1,RPE3-062R21/01200E1
RPE3-062R21/02400E1,RPE3-062R21/20500E1
RPE3-062Z11/01200E1,RPE3-062Z11/20500E1
RPE3-062A51/02400E1,RPE3-062A51/20500E1
RPE3-062Z51/02400E1,RPE3-062H51/02400E1
RPE3-062H51/20500E1
濾油器的性能指標
相信大家都有了解到,液壓系統中的故障約有70%以上是由于油液污染造成的。液壓油的污染會直接影響液壓元件和系統的正常工作及可靠性。因此,為了使液壓元件和系統正常工作,一方面要減少污染源,另一方面應采取適當的過濾措施,對液壓油中的雜質和污染物的顆粒進行清理,保持油液清潔。
消除油液中原固體雜質有效的辦法是使用各種濾油器,油液經過濾油器的無數微小間隙或小孔時,油液中各種尺寸大于間隙或小孔的固體顆粒被阻隔,從而使油液保持清潔。濾油器的主要功用就是對液壓油進行過濾,控制油的潔凈程度。
濾油器的主要、性能指標
濾油器的主要性能指標有過濾精度、納垢容量、壓降特性、通流能力、工作壓力和溫度等,其中過濾精度為主要指標。
1.過濾精度
過濾精度是指濾油器從液壓油中所過濾掉的雜質顆粒的最大尺寸(以污物顆粒平均直徑d表示)。粒度越小,精度越高。國產濾油器的精度系列分為粗(d≥100μm)、普通(d≥10~100μm)、精(d≥5~10μm)和特精(d≥1~5μm)四個等級。不同類別的液壓系統,對過濾精度的要求不同,工作壓力越高,過濾精度的要求也越高。
2.納垢容量
納垢容量是指過濾器在壓力降達到規定值以前,可以濾除并容納的污染物數量。濾油器的納垢容量越大,使用壽命就越長,一般來說,過濾面積越大,其納垢容量也越大。

3.壓降特性
壓降特性主要是指油液通過濾油器濾芯時所產生的壓力損失,濾芯的精度越高,所產生的壓降越大,濾芯的有效過濾面積越大,其壓降就越小。壓力損失還與油液的流量、黏度和混入油液的雜質數量有關。為了保持濾芯不破壞或系統的壓力損失不致過大,要限制濾油器最大允許壓力降,濾油器的最大允許壓力降取決于濾芯的強度。
4.通流能力(過濾能力)
指在一定壓力差下允許通過濾油器的最大流量。
5.工作壓力和溫度
濾油器在工作時,要能夠承受住系統的壓力,在液壓力的作用下,濾芯不致破壞;在系統的工作溫度下,濾油器要有較好的抗腐蝕性,且工作性能穩定。
本文由蘇州逐利機電整理發布,如需轉載請瀏覽來源及出處,原文地址:http://m.fjptba.com/chanpin/450.html






留言信息