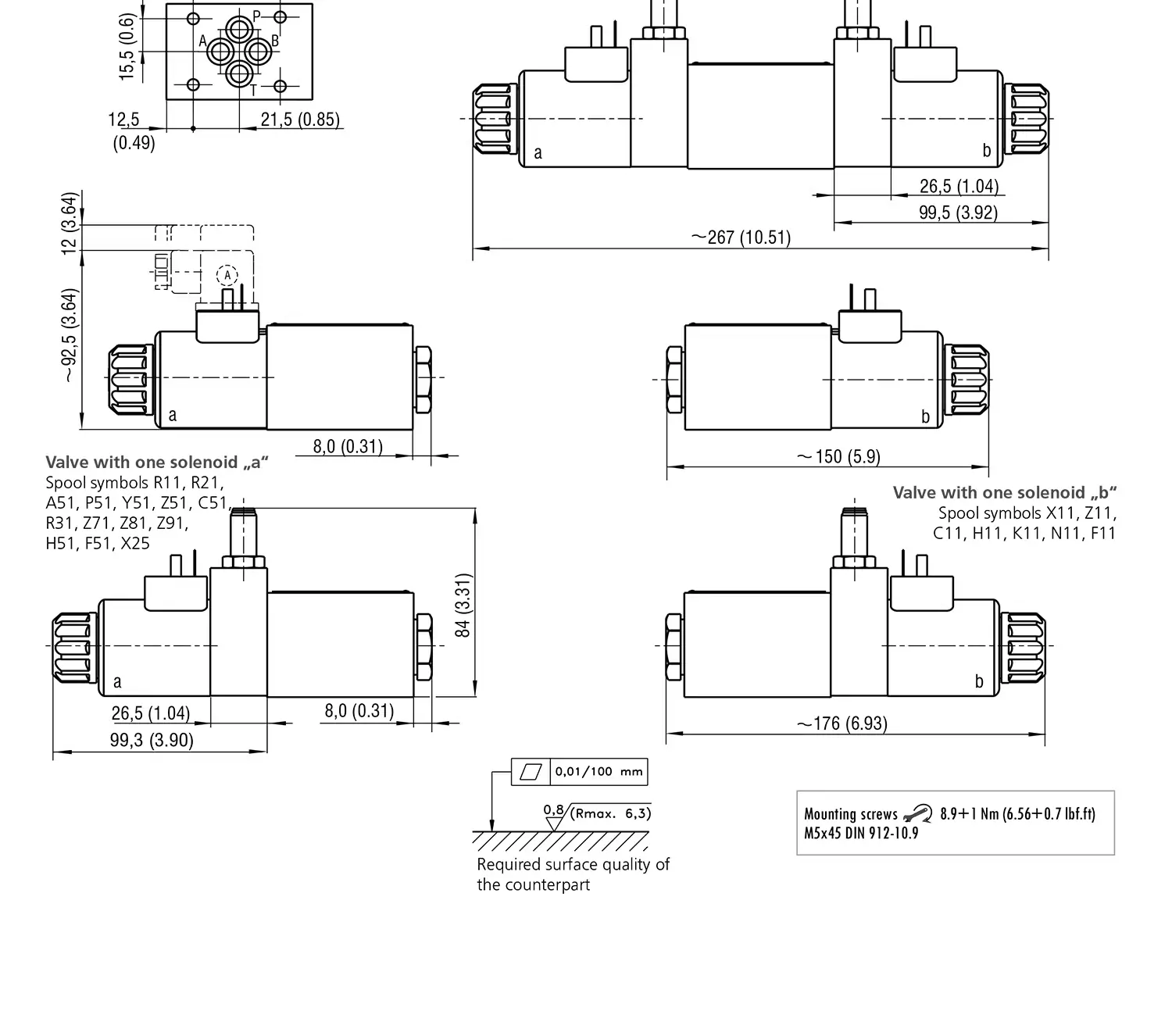
雅歌輝托斯ARGO液壓閥RPE3-062R11/02400E1電磁換向閥RPE3-062X11






RPE3- 063Y11/02400E1,RPE3- 063Z11/02400E1
RPE3- 062R11/02400E1,RPE3- 062X11/02400E1
RPE3- 063Y11/02700E1,RPE3-063H11 交流110V
RPE3- 063H11/02400E1,RPE3- 063Y11/01200E1
RPE3- 063Z11/01200E1,RPE3-062R11/02300E1
RPE3-063H11/01200E1,RPE3- 063Y11/02400E1-A
RPE3-063C11/02400E1K1/M,RPE3-062R11/23050E5-A
RPE3-063H11/23050E5,RPE3-063C11/01200E1
RPE3- 063Z11/02400E1-A,RPE3-063Z11/02400E1
RPEW4-063Z11/02400EW1K50,RPE3-062Y51/02400E1K1
RPE3-062Z11/02400E1,RPE3- 063Y11/23000E1
RPE3-062X11/20500E1,RPE3-062X11/20500E1帶防水線
RPE3-062R11/02400E1,RPE3-062X11/02400E1
RPE3-062X11/02400E1K1,RPE3-063Y11/02400E1
16211500-C22B-20500E1-線圈,RPE3-063Y11/02400E1T1V
RPE3-042R91/02400E1,RPE3-063C11/02400E1
RPE3-062X11/01200E1,RPE3-063H11/02400E1
RPE3-062R11/01200E1,RPE3-062Z51/02700E1
205V線圈配2米防水插頭線,RPE3-062H51/02400E1T1-A
RPE3-063Z11/01200E1,RPE3-062X11/02700E1-A
RPE3-062R11/20500E1,RPE3-062R21/01200E1
RPE3-062R21/02400E1,RPE3-062R21/20500E1
RPE3-062Z11/01200E1,RPE3-062Z11/20500E1
RPE3-062A51/02400E1,RPE3-062A51/20500E1
RPE3-062Z51/02400E1,RPE3-062H51/02400E1
RPE3-062H51/20500E1
液壓系統電液伺服閥的應用
目前電液伺服閥的代表性產品有噴嘴擋板式、射流管式、動圈式(VCD式)、高頻直動電磁鐵式等類型,主要發展動向是產品多樣化、高可靠性和高動、靜態特性。
(1)直動型電液伺服閥用永磁式力馬達、動圈式力馬達(VCD式)或高頻電磁鐵驅動閥心,其位移由位置傳感器進行檢測,由內置電子線路對主閥心進行閉環控制。該閥具有耐污染能力強、可靠性高等優點,已開始得到廣泛應用。
(2)射流管式雙級電液伺服閥的主閥心位移用差動變壓器進行反饋,由內置電子放大器對閥心進行閉環控制。耐污染能力強,而且具有故障保險功能,當意外斷電時,可保證設備處于安全位置,廣泛用于軍品和汽輪機等主機。

(3)噴嘴擋板力反饋和電反饋的雙級電液伺服閥。其中電反饋噴嘴擋板閥的第二級主閥由差動變壓器進行位置反饋,提高了閥的頻響和減少了波形失真度。大流量伺服閥標準的雙級噴嘴擋板閥控制三級閥心,閥心由位移傳感器進行反饋。
(4)內置放大器的電液伺服閥可提高電液伺服系統的工作可靠性,減少因接插件故障使系統失效,同時可適用于分散控制系統,便于安裝維護。
(5)用新材料提高產品壽命。德國有關公司用紅寶石材料制作噴嘴擋板,防止因氣饋造成擋板和噴嘴的損傷,而降低動靜態性能,使工作壽命縮短。機械反饋桿頭部的小球也用紅寶石制作,防止小球和閥心小槽之間的磨損,使閥失控,并產生尖叫。隨著現代制造技術的不斷提高,伺服閥的關鍵零件閥心和閥套都采用電加工,線電極切割加工方孔(控制刃邊),從而使所生產的閥的直線性、死區、滯環都達到輸入信號的0.2%~0.5%之間
本文由蘇州逐利機電整理發布,如需轉載請瀏覽來源及出處,原文地址:http://m.fjptba.com/yyf/448.html






留言信息