SHENWEIYEYA液壓電磁換向閥34EO-F10(6)B-T電磁閥







24EHU-F6B-R,24EO-F10B-W,24EO-F6B-R
2AY-F10D-AB(BA),2AY-F10D-AB(BA)-1,2AY-F16D-AB(BA)-1,2AY-F20D-AB(BA)-1,2AY-F6D-AB(BA),2AY-F6D-AB(BA)-1
2LA-F16D-ABU,2LA-F6D-ABU
34B0-B10H-T,34BO-H10B-T
34BH-B10H-T,34BH-H10B-T
34BK-B10H-T,34BK-H10B-T
34BM-B10H-T,34BM-H10B-T
34BY-B10H-T,34BY-H10B-T
34E0-B10H-T,34EO-H10B-T
34EH-B10H-T,34EH-F10B,34EH-H10B-T
34EM-B10H-T,34EM-H10B-T
34EY-B10H-T,34EY-F10B,34EY-H10B-T
4WEH16E-50/G24
AY-F10D-A(B)-1,AY-F10D-B(A)-1,AY-F16D-A(B)-1,AY-F16D-AB(BA)-1,AY-F16D-B(A)-1,AY-F20D-A(B)-1,AY-F20D-B(A)-1,AY-F6D-A(B)-1,AY-F6D-B(A)-1
E35DO-63,E35DO-63
J-F10D-P(A)-1,J-F10D-P(B)-1,J-F10D-P-1,J-F16D-P-1,J-F6D-P-1,J-Fc10D-P
LAE-F6/10D-BU
LA-F10D-A-1,LA-F10D-AU-1,LA-F10D-P-1
LAF-F10D-P1P/P
LALF-F10D3-P1P/P,LALF-F10D-P1P/P
LE-F10D-A,LE-F10D-B,LE-F16D-B
LEH-F10D-A,LEH-F10D-B,LEH-F16D-B
L-F10D-O-1,L-F10D-P-1
MQAD-F10-A-E24L,MQAD-F10-AU-E24L
MQADH-F10-B-E24L,MQADH-F10-BU-E24L
MYDI-FC10-P/T-E24L-20
PD-Fa6D-P
QAE-F6/10D-A,QAE-F6/10D-AU,QAE-F6/10D-B,QAE-F6/10D-BU,QAE-F6/16D-A,QAE-F6/16D-AU,QAE-F6/16D-B,QAE-F6/16D-BU,QAE-F6D-AU
XA-F10D-A,XA-F10D-AU,XA-F10D-B,XA-F16D-B,XA-Fa10D-B,XA-Fa10D-B-1,XA-Fa6/10D-B,XA-Fa6D-B
X-F10D3-P
XY-F10D-P/0
Y1-F16D-A/O-1,Y1-F16D-P/O-1,Y1-F6D-P/O,Y1-Fa10D-P/O,Y1-Fc10D-A/O,Y1-Fc6D-P/O
YEH-001,YEH-F10D-P/O,YEH-FC10D-P/0,YEH-FC10D-P/O,YEH-FC16D-P/O
Y-F10D-P/O-1,Y-F6D-P/O
Y-Fa10D3-P/T,Y-Fa6D-P/T
ZDB10VA-2-40B/315

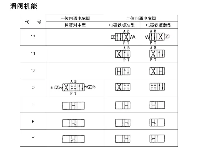
34EO 是一款三位四通、濕式電磁驅動、彈簧復位、O型中位機能的液壓換向滑閥,屬于標準工業方向控制閥,用于控制液壓油流的通斷與方向,進而驅動執行元件(油缸/馬達)的正反轉與停止。
一、型號含義(34EO)
- 3:三位(閥芯有左、中、右三個工作位置)
- 4:四通(閥體含4個主油口:P壓力口、A/B工作口、T回油口)
- E:雙電磁鐵,濕式直流,彈簧對中
- O:中位機能為O型(中位時P、A、B、T四口全封閉)
二、核心結構
- 閥體:鑄鐵材質,內部加工有4個主油道(P/A/B/T)及控制腔。
- 閥芯:三凸肩滑閥,在閥體內軸向滑動,切換油路連接關系。
- 電磁鐵(2個):左右對稱布置,濕式直流電磁鐵(線圈浸在油中,散熱好、壽命長)。通電產生電磁力,推動閥芯移動。
- 對中彈簧(2個):位于閥芯兩端。電磁鐵斷電時,將閥芯強制復位至中位。
- 推桿/隔離套:傳遞電磁力,同時隔離電磁鐵與液壓油腔,防止內泄。
- 密封件:O形圈、擋圈,保證各腔室間及對外的密封。
- 手動應急裝置(可選,后綴-T):斷電/故障時,可機械按壓使閥芯換向。
三、工作原理(三位四通O型)
- 中位(雙電磁鐵斷電)閥芯在彈簧作用下處于中間位置。P、A、B、T 四口全部封閉。系統保壓,執行元件鎖緊不動。
- 左位(左側電磁鐵通電)左電磁鐵吸合,推動閥芯右移。P → A(壓力油進A口);B → T(B口回油)。執行元件正向動作(如油缸伸出)。
- 右位(右側電磁鐵通電)右電磁鐵吸合,推動閥芯左移。P → B(壓力油進B口);A → T(A口回油)。執行元件反向動作(如油缸縮回)。
四、主要技術參數(通用規格)
- 通徑(規格):常見 6mm、10mm、16mm
- 額定壓力:20~31.5 MPa
- 流量范圍:6mm通徑:約 20~30 L/min10mm通徑:約 40~60 L/min16mm通徑:約 100~160 L/min
- 電磁鐵電壓:直流 DC24V(常用);交流 AC220V
- 介質:礦物型液壓油(粘度 10~350 mm2/s)
- 溫度:-20℃ ~ +80℃
- T口背壓:≤ 6.3 MPa
- 換向頻率:≤ 60次/分
五、性能特點
- O型中位:保壓性好、執行元件定位精準,適用于需中途停止、鎖緊的工況。
- 濕式電磁鐵:壽命長、噪音低、抗污染、可靠性高。
- 彈簧對中:斷電必回中位,安全性好。
- 滑閥結構:換向平穩、壓力損失小、適合中高壓系統。
- 內泄:滑閥配合存在微量內泄,不適合長期嚴格保壓的超精密場景。
六、典型應用
- 各類機床液壓系統(滑臺、卡盤、夾具)
- 注塑機、液壓機(合模、滑塊控制)
- 工程機械、車輛(油缸/馬達換向)
- 自動化生產線、液壓站方向控制
七、安裝與使用要點
- 安裝面清潔平整,按規定力矩緊固螺釘。
- 油口P/A/B/T必須對應正確管路。
- 系統加裝濾油器(精度≤10μm),防止雜質卡滯閥芯。
- 電磁鐵接線牢固、防水,避免短路/虛接。
- 定期檢查密封、泄漏、換向響應,異常及時更換密封圈或閥芯。
本文由蘇州逐利機電整理發布,如需轉載請瀏覽來源及出處,原文地址:http://m.fjptba.com/yyf/763.html






留言信息