SFHP船舶液壓電磁閥ECG5-06F(V) TJ-DSG-02 03 SUNWAY










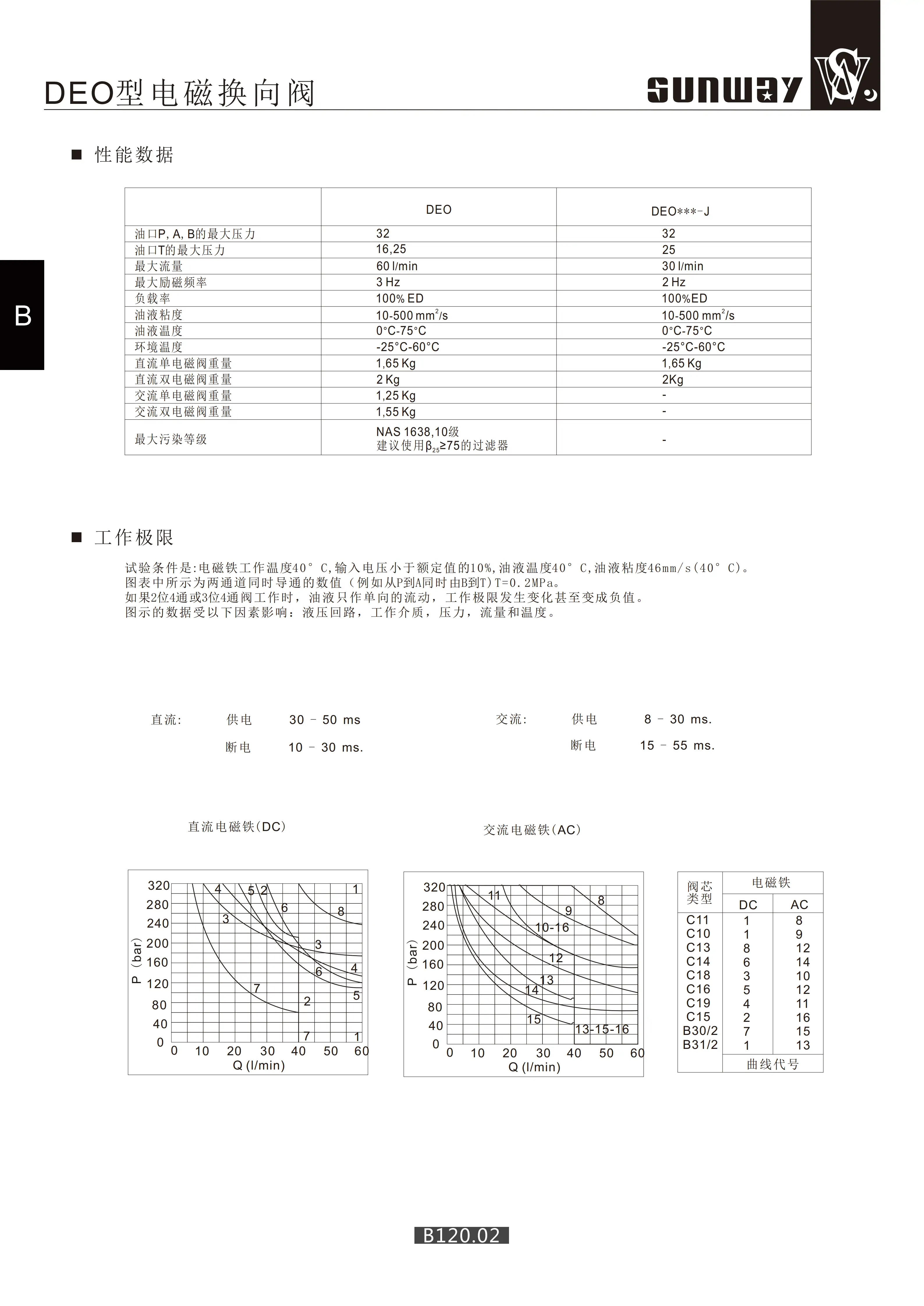
DEO-0B1/2A-24DC
DEO-0B31/2-24DC
DEO-0C10-24DC
DEO-0C11-24DC
DEO-0C13-24DC
DEO-0C14-24DC
DEO-0C15-24DC
DEO-0C16-24DC
DEO-0C51/2-24DC
DEO-0C51/2-24DC
DFO-1C10-24DC
DFO-1C10-24DC HY
DHO-0B31/2-* 12V/24V線圈
DHO-0C11-* 12V/24V線圈
DHO-0C13-* 12V/24V線圈
DHO-0C14-* 12V/24V線圈
DLKZOR-TEB-SN-NP-140
SPRM6-A-0B1-S5/24
SPRM6-A-0C1-S3/24
SWRPEH10-C4B-100L-G24/A1

ECG5-06F 是先導式電磁溢流閥,屬液壓壓力控制元件,用于系統高壓安全限壓、遠程卸荷與多級壓力切換,適配中高壓、大流量液壓站。
一、型號釋義
- ECG5:系列代號,先導式電磁溢流閥
- 06:通徑規格 DN20(NG20),板式安裝
- F:調壓范圍 10.0~25.0 MPa(100~250 bar)
二、核心技術參數(標準型)
| 參數 | 數值 | 備注 |
| 結構形式 | 先導式、電磁控制、板式連接 | 主閥 + 先導閥 + 電磁換向閥 |
| 最高工作壓力 | 25.0 MPa(250 bar) | F 型調壓上限 |
| 最大流量 | 200 L/min | 推薦 80–160 L/min 工況 |
| 調壓范圍 | 10.0~25.0 MPa | F 型彈簧設定 |
| 控制方式 | 電磁遙控 / 手動調節 | 電磁鐵控制卸荷 / 加載 |
| 電磁鐵電壓 | DC24V / AC220V(可選) | 功率約 20–25 W |
| 泄漏量 | 內泄 ≤0.5 mL/min(25 MPa) | 錐面密封,泄漏極小 |
| 適用介質 | ISO VG 32/46 抗磨液壓油 | 清潔度 ≤NAS 9 級 |
| 工作油溫 | -20℃~+80℃ | 高溫版可達 +100℃ |
| 安裝方式 | 板式(ISO 4401-06 標準安裝面) | 螺栓固定于閥塊 |
| 油口螺紋 | P/T 口:G3/4";遙控口 K:G1/4" | 標準公制螺紋 |
| 重量 | 約 9.9 kg | 不含電磁鐵與安裝螺栓 |
三、結構與工作原理
1. 主要結構
- 閥體:高強度鑄鐵,集成 P(進油)、T(回油)、K(遙控)口
- 主閥芯:三節同心滑閥,帶阻尼孔,主彈簧復位
- 先導閥:錐面直動式溢流閥,調壓彈簧 + 調節螺釘
- 電磁換向閥:二位二通,控制先導腔壓力,實現卸荷 / 加載
- 密封件:NBR 丁腈橡膠(氟橡膠可選,適配磷酸酯油液)
2. 工作原理(限壓 + 電磁卸荷)
- 正常工作(電磁不得電) 電磁鐵斷電,二位二通閥關閉。系統壓力油經阻尼孔進入先導腔,壓力低于先導閥設定值時,先導閥關閉,主閥上下腔壓力平衡,主閥關閉,系統壓力由負載決定;壓力達到設定值時,先導閥開啟,主閥上腔泄壓,主閥開啟溢流,限制系統壓力≤25 MPa,起安全保護作用。
- 電磁卸荷(電磁鐵得電) 電磁鐵通電,二位二通閥打開,先導腔直接通油箱,壓力歸零,主閥在壓差作用下全開,系統油液無壓回油箱,實現遠程卸荷,降低功耗、減少發熱。
- 多級壓力控制 遙控口 K 外接遠程調壓閥,可實現二級 / 三級壓力切換,滿足不同工況壓力需求。
四、性能特點
- ? 高壓大流量:25 MPa 高壓、200 L/min 大流量,適配重型機械。
- ? 電磁遙控卸荷:電控切換,響應快(≤0.5 s),節能高效。
- ? 先導式穩壓:壓力波動小(≤±0.5 MPa),調壓平穩、噪聲低。
- ? 多功能集成:限壓、卸荷、遠程控制一體,簡化系統設計。
- ? 板式安裝:結構緊湊,安裝維護方便,泄漏點少。
五、選型要點
- 通徑匹配:06 通徑(DN20),流量 ≤200 L/min,適配 06 系列閥塊。
- 調壓范圍:B 型:0.5~7.0 MPa(低壓)C 型:3.5~14.0 MPa(中壓)F 型:10.0~25.0 MPa(高壓)
- 電壓選擇:DC24V(常用)/ AC220V,匹配系統電源。
- 介質適配:普通液壓油用 NBR 密封;磷酸酯介質需定制氟橡膠密封。
六、常見故障與排除
| 故障 | 原因 | 對策 |
| 壓力上不去(溢流早開) | 先導閥彈簧疲勞、錐面磨損 | 更換彈簧、研磨錐面或更換先導閥 |
| 壓力波動大、噪聲高 | 阻尼孔堵塞、閥芯卡滯、油液臟 | 清洗阻尼孔、閥體,更換液壓油 |
| 電磁不卸荷 | 電磁鐵故障、閥芯卡滯、電路問題 | 檢查電磁鐵、清洗閥體、排查電路 |
| 外泄口漏油 | 密封件老化、O 型圈損壞 | 更換 NBR / 氟橡膠密封件 |
七、典型應用
- 工程機械:挖掘機、裝載機、起重機的液壓系統限壓與卸荷。
- 機床設備:大型液壓機床、沖壓設備的高壓安全保護與節能控制。
- 冶金設備:軋機、連鑄機的高壓液壓站壓力控制。
- 液壓站:中高壓、大流量模塊化系統的安全限壓與遠程卸荷。
本文由蘇州逐利機電整理發布,如需轉載請瀏覽來源及出處,原文地址:http://m.fjptba.com/yyf/815.html






留言信息