SUNWAY變量葉片泵HVP-1A-F30A-A3 HVP-1A-F40-A4/A3/A2/A1










DEO-0B1/2A-24DC
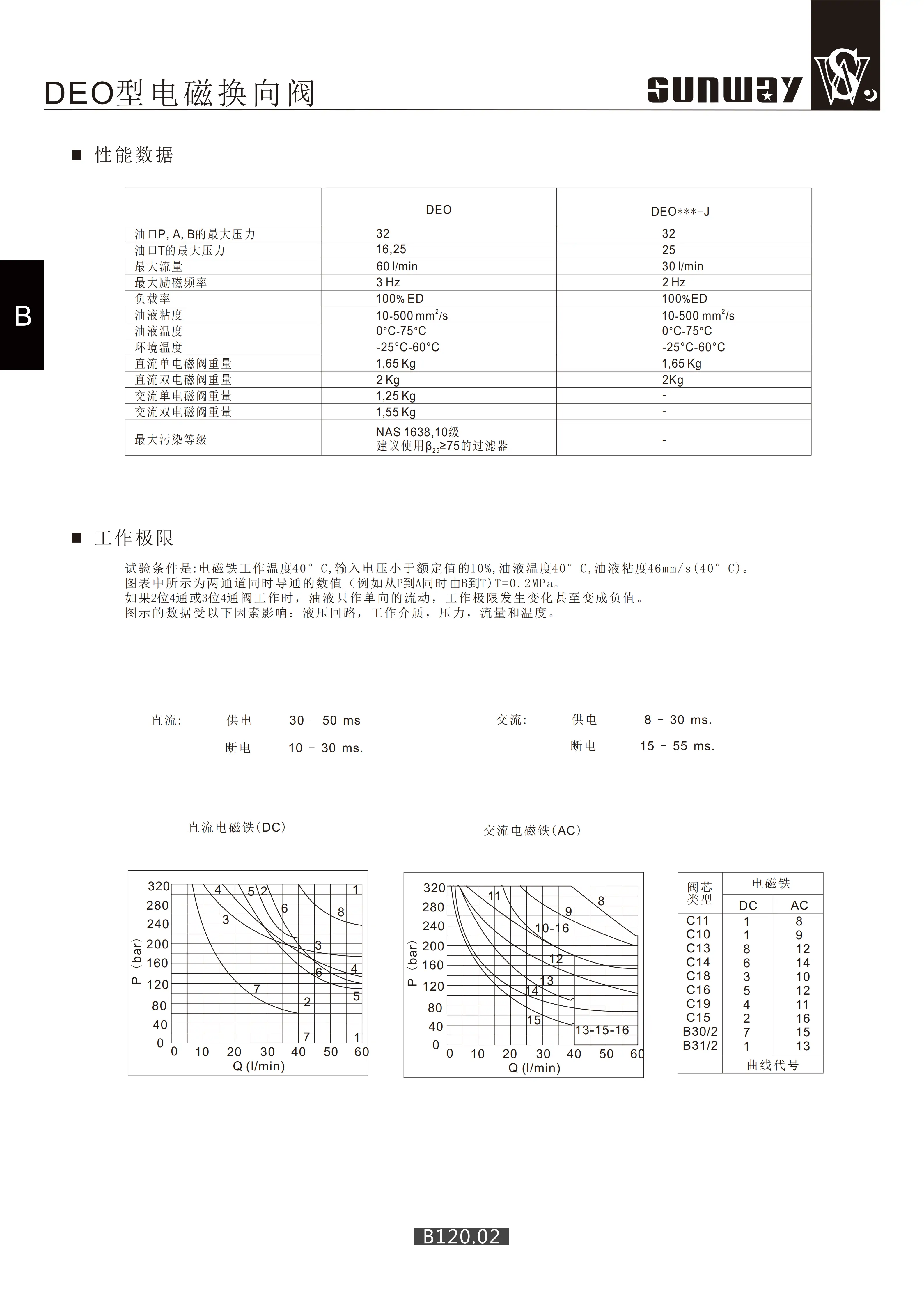
DEO-0B31/2-24DC
DEO-0C10-24DC
DEO-0C11-24DC
DEO-0C13-24DC
DEO-0C14-24DC
DEO-0C15-24DC
DEO-0C16-24DC
DEO-0C51/2-24DC
DEO-0C51/2-24DC
DFO-1C10-24DC
DFO-1C10-24DC HY
DHO-0B31/2-* 12V/24V線圈
DHO-0C11-* 12V/24V線圈
DHO-0C13-* 12V/24V線圈
DHO-0C14-* 12V/24V線圈
DLKZOR-TEB-SN-NP-140
SPRM6-A-0B1-S5/24
SPRM6-A-0C1-S3/24
SWRPEH10-C4B-100L-G24/A1

HVP-1A-F30 是中高壓、法蘭安裝、恒壓變量葉片泵,常用于 7~14 MPa 工業液壓系統,主打節能、低噪、結構緊湊、壓力可調。
一、型號釋義
- HVP:系列代號,中高壓恒壓變量葉片泵
- 1A:泵芯規格 / 控制方式(1A = 標準恒壓、法蘭式)
- F30:幾何排量 30 mL/rev
二、核心技術參數(標準型)
| 參數 | 數值 | 備注 |
| 結構形式 | 單級、變量葉片、恒壓控制 | 法蘭安裝 |
| 理論排量 | 30 mL/rev | 最大幾何排量 |
| 額定壓力 | 7\14 MPa(70\140 bar) | 可調,出廠約 10 MPa |
| 峰值壓力 | 16 MPa(160 bar) | 短時最高 |
| 轉速范圍 | 800~1800 rpm | 推薦 1200~1500 rpm |
| 最大流量 | 54 L/min @1800 rpm | 空載低壓 |
| 驅動功率 | 15.7 kW @1500 rpm、14 MPa | 參考值 |
| 工作油溫 | 0℃ ~ +60℃ | 推薦 40~50℃ |
| 適用介質 | ISO VG 32/46 抗磨液壓油 | 粘度 15~60 cSt |
| 油口規格 | 吸油口 G1 1/4",出油口 G3/4" | 法蘭 / 螺紋可選 |
| 旋轉方向 | 順時針(軸端視) | 逆時針可定制 |
| 安裝方式 | 法蘭式(F) | SAE-B 標準 |
| 重量 | 約 18 kg | 不含電機、聯軸器 |
三、結構與工作原理
1. 主要結構
- 泵體:高強度鑄鐵,集成吸 / 排油腔與控制油口
- 轉子 - 葉片 - 定子:10 片葉片,轉子偏心安裝;定子可徑向移動,由壓力反饋控制
- 配流盤:雙側高壓平衡,泄漏低、磨損小
- 恒壓控制模塊:壓力調節閥、彈簧、變量活塞
2. 工作原理(恒壓變量)
- 低壓大流量:系統壓力<調定值→彈簧推定子至最大偏心→全排量輸出,執行器快速動作
- 中壓恒壓:壓力升至調定值→壓力油推動變量活塞→減小定子偏心→流量下降,維持壓力恒定
- 高壓保護:壓力超峰值→內置溢流閥打開,保護泵與系統
四、性能特點
- ? 節能低耗:僅輸出負載所需流量,高壓時自動減流,省電 30%+
- ? 低噪平穩:10 葉片設計,脈動小、噪聲低(≤65 dB)
- ? 壓力可調:7~14 MPa 范圍內無級調節,適配不同工況
- ? 結構緊湊:法蘭直連電機,軸向尺寸短,安裝空間小
- ? 抗污染強:葉片 - 定子硬對硬摩擦,允許油液污染度≤NAS 8 級
五、選型要點
- 壓力匹配:連續壓力≤14 MPa,峰值≤16 MPa,避免長期超壓
- 流量計算:Q = 30 × n ÷ 1000(n = 轉速 rpm)例:1500 rpm → Q=45 L/min
- 轉速控制:最低≥800 rpm(防吸空),最高≤1800 rpm(防氣蝕)
- 壓力設定:按系統最大工作壓力 + 10% 余量調節,避免頻繁溢流
- 油液要求:清潔度≤25 μm,油溫≤60℃,定期換油
六、常見故障與排除
| 故障 | 原因 | 對策 |
| 流量不足 | 轉速低、吸油漏氣、濾芯堵塞、葉片磨損 | 提速、緊固管路、換濾芯、修泵芯 |
| 壓力上不去 | 恒壓閥卡滯、內泄大、定子偏心不足 | 清洗控制閥、研磨配流盤、調整彈簧 |
| 噪聲大 | 吸空、油液臟、葉片卡滯、安裝不同心 | 查吸油回路、換油、清葉片、校正同軸度 |
| 溫升過高 | 高壓溢流、過載、油液粘度低、散熱差 | 降壓力 / 流量、換高粘度油、加強散熱 |
七、典型應用
- 工業液壓:注塑機、機床、壓力機、液壓站
- 輕工機械:紡織、造紙、包裝設備
- 工程機械:小型壓機、叉車、升降平臺
本文由蘇州逐利機電整理發布,如需轉載請瀏覽來源及出處,原文地址:http://m.fjptba.com/yyyb/810.html






留言信息