TOKYOKEIKI液壓泵定量葉片泵SQP3381C2-18東京計器電磁閥








16V 系列:16V-LS-11-ECG-210-10-S100-J
1HP 系列:1HP-P8VMR
45VQEPCG 系列:45VQEPCG2-03-35-Y-L-13-S20
4C2M 系列:4C2M-3-30-JA-S2,4C2M-3-30-JA-S3
4CG 系列:4CG-03-DA-20-JA-S100-J
4V 系列:4V-3-2A-M-P2-D-7-54
ABT 系列:ABT-03-10-JA-J
BLG 系列:BLG-02,BLG-3
C2G 系列:C2G-805-JA-11,C2G-805-K,C2G-805-S12-JA-11,C2G-825-JA-S52
C2M 系列:C2M-3C-30-JA
C 系列:C-552-E,C-552-K,C-572-E,C-572-K
C5G 系列:C5G-815-JA,C5G-825-JA-J,C5G-825-K,C5G-825-S3-K
C5PG 系列:C5PG-815-10-S45
CG 系列:CG-03-C-15-S81-JA,CG-06-C-40-JA-J
CGFNM 系列:CGFNM-3A-30-5AFNM-3B-30-JAC2PG
CGR 系列:CGR-02-FK-20-JA-JRG,CGR-02-FK-20-JA-JRG-06-F1-22-JA-SIOO-J
C-KIT 系列:C-KIT-FOR-P31V,C-KIT-SQP1-11
COM 系列:COM-2C-70-AN-10-S4,COM-3,COM-3-2C-30-AN-11,COM-3-2C-30-CH-11,COM-3-2C-30-CH-11-S4,COM-3-33C-30-CH-11,COM-3-33C-30-CH-11-S4,COM-3-33C-30-SH-11,COM-5,COM-5-2C-70-AN-10,COM-5-2C-70-CH-10-S3,COM-5-33C-70-AN-10,COM-5-33C-70-CH-10-S7,COM-7-2C-130-AN-E-10-S40,COM-7-2C-130-CH-T-10,COM-7-31C-130-CH-T-10-S7,COM-8-33C-250-CH-C-E-10,COM-8-33C-250-CH-T-10
Counterbalance Valves 系列:Counterbalance Valves
CR 系列:CR-19-3P0-30-JA-J,CR-23-2P7-30-JA-J
CRG 系列:CRG-01-F-JA-10-J
CT 系列:CT-03-F-JA-10-S81-J,CT-06-F-40-JA-J
CV1 系列:CV1-63-D20-3-M-10-JA
CVSH 系列:CVSH-01-11,CVSH-01-K,CVSH-3-10
CVU 系列:CVU-16-C3-B29-W-350-10,CVU-16-C3-J39-W-350-10-JA,CVU-16-C3-J39-W-350-10-JA100
D-CG 系列:D-CG-02-C-250-20
D-DFG 系列:D-DFG-31-03-2C-EX-40-63-1-20,D-DFG-31-03-2C-EX-70-63-20
DEFG 系列:DEFG31-04-3C-EX-130-11-S2,DEFG31-04-R66D-EX-130-10-S4,DEFG31-06-20C-EX-250-11,DEFG31-10-20C-EX-500-10,DEFG34-10-20C-EX-500-10
DEFRG 系列:DEFRG21-04-R100-E-100-10-S3
D-FG 系列:D-FG-02-EX-65-250-20-S119
DG17V 系列:DG17V-7-6C-10-JA-S9,DG17V-7-6C-1-21-JA-S9B
DG20S 系列:DG20S-3-22A-P-20-S13,DG20S-3-2A-L11-S10,DG20S-3-2A-P-20-S18
DG2S4 系列:DG2S4-012A-50-LH-JA-S36
DG3S 系列:DG3S-10
DG3V 系列:DG3V-7,DG3V-H8,DG3V-H8-2C-1-T-12-JA-Z
DG4M4 系列:DG4M4,DG4M4-100V,DG4M4-200V,DG4M4-20-32C-M14-JA,DG4M4-220V,DG4M4-24V,DG4M4-30C-20-JA,DG4M4-30C-24DC-20-JA,DG4M4-30C-24DC-JA,DG4M4-3-20-JA,DG4M4-32-20-JA,DG4M4-32-20-M12-JA,DG4M4-32A-100AC-20-JA,DG4M4-32A-20-JA,DG4M4-32A-20-JA-AC100V,DG4M4-32A-20-JATDM-16074,DG4M4-32A-24DC-20-JA,DG4M4-32B-20-LH-100AC,DG4M4-32B-20-LH-100AC-JA-S46,DG4M4-32C-20-JA,DG4M4-32C-24DC-20-JA,DG4M4-36C-20-24DC-JA,DG4M4-36C-20-5A,DG4M4-36C-20-JA,DG4M4-36C-20-JA-24DC,DG4M4-36C-24DC-20-JA
DG4SM 系列:DG4SM-3,DG4SM-3-0BL-P7-H-54,DG4SM-3-0B-P7-H-54,DG4SM-3-0C-P7-H-54,DG4SM-3-24AL-P7-H-54,DG4SM-3-24A-P7-H-54,DG4SM-3-2AL-P7-H-54,DG4SM-3-2A-P7-H-54,DG4SM-3-2A-P7-H-56,DG4SM-3-2BL-P7-H-54,DG4SM-3-2B-P7-H-54,DG4SM-3-2C-P7-H-52,DG4SM-3-2C-P7-H-54,DG4SM-3-2C-P7-H-56,DG4SM-3-2N-P7-H-54,DG4SM-3-2N-P7-H-56,DG4SM-3-31BL-P7-H-54,DG4SM-3-31B-P7-H-54,DG4SM-3-31C-P7-H-54,DG4SM-3-33BL-P7-H-54,DG4SM-3-33B-P7-H-54,DG4SM-3-33C-P7-H-52,DG4SM-3-33C-P7-H-54,DG4SM-3-33C-P7-H-PC1-52,DG4SM-3-3BL-P7-H-54,DG4SM-3-3B-P7-H-54,DG4SM-3-3C-P7-H-54,DG4SM-3-6BL-P7-H-54,DG4SM-3-6B-P7-H-54,DG4SM-3-6C-P7-H-52,DG4SM-3-6C-P7-H-54,DG4SM-3-6C-P7-H-PC1-52,DG4SM-3-6C-P7-H-PC1-54,DG4SM-3-7BL-P7-H-54,DG4SM-3-7B-P7-H-54,DG4SM-3-7C-P7-H-54
DG4V 系列:DG4V-3,DG4V-3-0AL-M-P7-H-7-52,DG4V-3-0AL-M-P7-H-7-54,DG4V-3-0AL-MU-H7-60,DG4V-3-0A-M-P2-T-7-54,DG4V-3-0A-M-P2-V-7-54,DG4V-3-0A-M-P7-H-7-52,DG4V-3-0A-M-P7-H-7-54,DG4V-3-0BL-M-P2-B-7-54,DG4V-3-0BL-M-P2-D-7-54,DG4V-3-0BL-M-P2-T-7-54,DG4V-3-0BL-M-P2-V-7-54,DG4V-3-0BL-M-P7-H-7-52,DG4V-3-0BL-M-P7-H-7-54,DG4V-3-0BL-M-P7-T-7-54,DG4V-3-0BL-M-U1-H-7-54,DG4V-3-0BL-M-U1-V-7-54,DG4V-3-0BL-M-U2-H-7-54,DG4V-3-0BL-M-U2-V-7-54,DG4V-3-0BL-M-U7H-52-K,DG4V-3-0BL-M-U7-H-7-54,DG4V-3-0BL-M-U7-V-7-54,DG4V-3-0B-M-P2-B-7-54,DG4V-3-0B-M-P2-D-7-54,DG4V-3-0B-M-P2-T-7-54,DG4V-3-0B-M-P2-V-7-54,DG4V-3-0B-M-P2-V-T,DG4V-3-0B-M-P2-V-T-52,DG4V-3-0B-M-P7-H-7-40,DG4V-3-0B-M-P7-H-7-52,DG4V-3-0B-M-P7-H-7-54,DG4V-3-0B-M-P7-H-P10-54,DG4V-3-0B-M-P7-T-7-54,DG4V-3-0B-M-U1-H-7-54,DG4V-3-0B-M-U1-V-7-54,DG4V-3-0B-M-U2-H-7-54,DG4V-3-0B-M-U2-V-7-54,DG4V-3-0B-M-U7-H-7-54,DG4V-3-0B-M-U7-V-7-54,DG4V-3-0C-M-P2-B-7-54,DG4V-3-0C-M-P2-D-7-54,DG4V-3-0C-M-P2-T-7-54,DG4V-3-0C-M-P2-V-7-54,DG4V-3-0C-M-P2-V-7-P12-54,DG4V-3-0C-M-P3-V-T-P12-52,DG4V-3-0C-M-P7-H-54,DG4V-3-0C-M-P7-H-7-54,DG4V-3-0C-M-P7-H-7-P12-54,DG4V-3-0C-M-P7-T-7-54,DG4V-3-0C-M-U1-H-7-54,DG4V-3-0C-M-U1-T-7-54,DG4V-3-0C-M-U1-V-7-54,DG4V-3-0C-M-U2-H-7-54,DG4V-3-0C-M-U2-V-7-54,DG4V-3-0C-M-U7-H-7-54,DG4V-3-0C-M-U7-V-7-54,DG4V-3-0N-M-P7-H-7-54,DG4V-3-0N-M-U1-T-7-54,DG4V-3-1BL-M-P7-H-7-52,DG4V-3-1BL-M-P7-H-7-54,DG4V-3-1B-M-P7-H-7-52,DG4V-3-1B-M-P7-H-7-54,DG4V-3-1B-M-U7-H-7-54,DG4V-3-1C-M-P7-H-7-54,DG4V-3-1C-M-U1-T-7-54,DG4V-3-22AL-M-P7-H-7-52,DG4V-3-22AL-M-P7-H-7-54,DG4V-3-22A-M-P2-B-7-54,DG4V-3-22A-M-P2-D-7-54,DG4V-3-22A-M-P2-T-7-54,DG4V-3-22A-M-P2-V-7-54,DG4V-3-22A-M-P7-H-7-52,DG4V-3-22A-M-P7-H-7-54,DG4V-3-22A-M-P7-T-7-54,DG4V-3-22A-M-U1-H-7-54,DG4V-3-22A-M-U1-V-7-54,DG4V-3-22A-M-U2-H-7-54,DG4V-3-22A-M-U2-V-7-54,DG4V-3-22A-M-U7-H-7-54,DG4V-3-22A-M-U7-V-7-54,DG4V-3-22BL-M-U1-T-7-54,DG4V-3-23AL-M-P7-H-7-52,DG4V-3-23AL-M-P7-H-7-54,DG4V-3-23A-M-P2-B-7-54,DG4V-3-23A-M-P2-D-7-54,DG4V-3-23A-M-P2-T-7-52,DG4V-3-23A-M-P2-T-7-54,DG4V-3-23A-M-P2-T-7-T10-54,DG4V-3-23A-M-P2-V-7-54,DG4V-3-23A-M-P7-H-52,DG4V-3-23A-M-P7-H-7-52,DG4V-3-23A-M-P7-H-7-54,DG4V-3-23A-M-P7-T-54,DG4V-3-23A-M-P7-T-7-52,DG4V-3-23A-M-P7-T-7-54,DG4V-3-23A-M-U1-H-7-54,DG4V-3-23A-M-U1-V-7-54,DG4V-3-23A-M-U2-H-7-54,DG4V-3-23A-M-U2-V-7-54,DG4V-3-23A-M-U7-H-7-54,DG4V-3-23A-M-U7-V-7-54,DG4V-3-24AL-M-P7-H-7-52,DG4V-3-24A-M-P7-H-7-52,DG4V-3-24A-M-P7-H-7-54,DG4V-3-27AL-M-P7-H-7-52,DG4V-3-27A-M-P7-H-7-52,DG4V-3-28AL-M-P7-H-7-52,DG4V-3-28A-M-P7-H-7-52,DG4V-3-2AL-M-P2-B-7-54,DG4V-3-2AL-M-P2-D-7-54,DG4V-3-2AL-M-P2-T-7-52,DG4V-3-2AL-M-P2-T-7-54,DG4V-3-2AL-M-P2-V-7-54,DG4V-3-2AL-M-P7-H7-52,DG4V-3-2AL-M-P7-H-7-52,DG4V-3-2AL-M-P7-H-7-54,DG4V-3-2AL-M-P7-T-7-54,DG4V-3-2AL-M-U1-H-7-54,DG4V-3-2AL-M-U1-V-7-54,DG4V-3-2AL-M-U2-H-7-54,DG4V-3-2AL-M-U2-V-7-54,DG4V-3-2AL-M-U7-H-52-K,DG4V-3-2AL-M-U7-H-7-54,DG4V-3-2AL-M-U7-V-7-54,DG4V-3-2A-M-P2-7-54,DG4V-3-2A-M-P2-B-7-54,DG4V-3-2A-M-P2-D-7-50,DG4V-3-2A-M-P2-D-7-54,DG4V-3-2A-M-P2-T-7-52-JA137,DG4V-3-2A-M-P2-T-7-54,DG4V-3-2A-M-P2-T-7-P10-52,DG4V-3-2A-M-P2-T-7-P10-54,DG4V-3-2A-M-P2-T-P10-54,DG4V-3-2A-M-P2-V-7,DG4V-3-2A-M-P2-V-7-54,DG4V-3-2A-M-P7-H7-52,DG4V-3-2A-M-P7-H-7-52,DG4V-3-2A-M-P7-H-7-54,DG4V-3-2A-M-P7-T-7-52,DG4V-3-2A-M-P7-T-7-54,DG4V-3-2A-M-P7-T-7-54-JA20,DG4V-3-2A-M-U1-H-7-52,DG4V-3-2A-M-U1-H-7-54,DG4V-3-2A-M-U1-V-7-54,DG4V-3-2A-M-U2-H-7-54,DG4V-3-2A-M-U2-V-7-54,DG4V-3-2A-M-U7-H-52-K,DG4V-3-2A-M-U7-H-7-54,DG4V-3-2A-M-U7-V-7-54,DG4V-3-2BL-M-P2-B-7-54,DG4V-3-2BL-M-P2-D-7-54,DG4V-3-2BL-M-P2-T-7-52,DG4V-3-2BL-M-P2-T-7-54,DG4V-3-2BL-M-P2-V-7-54,DG4V-3-2BL-M-P7-H-7-52,DG4V-3-2BL-M-P7-H-7-54,DG4V-3-2BL-M-P7-T-7-52,DG4V-3-2BL-M-P7-T-7-54,DG4V-3-2BL-M-P7-T-7-54-JA30,DG4V-3-2BL-M-U1-H-7-54,DG4V-3-2BL-M-U1-T-7-54,DG4V-3-2BL-M-U1-V-7-54,DG4V-3-2BL-M-U2-H-7-54,DG4V-3-2BL-M-U2-V-7-54,DG4V-3-2BL-M-U7-H-7-54,DG4V-3-2BL-M-U7-V-7-54,DG4V-3-2B-M-P2-B-7-54,DG4V-3-2B-M-P2-D-7-54,DG4V-3-2B-M-P2-T-7-54,DG4V-3-2B-M-P2-V-7-54,DG4V-3-2B-M-P7-H-7-52,DG4V-3-2B-M-P7-H-7-54,DG4V-3-2B-M-P7-T-7-54,DG4V-3-2B-M-U1-H-7-54,DG4V-3-2B-M-U1-V-7-54,DG4V-3-2B-M-U2-H-7-54,DG4V-3-2B-M-U2-V-7-54,DG4V-3-2B-M-U7-H-7-54,DG4V-3-2B-M-U7-V-7-54,DG4V-3-2C-M-P2-D-7-54,DG4V-3-2C-M-P2-T-52,DG4V-3-2C-M-P2-T-7-52,DG4V-3-2C-M-P2-T-7-54,DG4V-3-2C-M-P2-V-7,DG4V-3-2C-M-P2-V-7-54,DG4V-3-2C-M-P2-V-7-56,DG4V-3-2C-M-P7-H-7-54,DG4V-3-2C-M-P7-H-P36-7-54,DG4V-3-2C-M-P7-T-7-54,DG4V-3-2C-M-U1-D-7-54,DG4V-3-2C-M-U1-H-7-52,DG4V-3-2C-MU1-H-7-54,DG4V-3-2C-M-U1-H-7-54,DG4V-3-2C-M-U1-H-7-54-JA16,DG4V-3-2C-M-U1-T-7-54,DG4V-3-2C-M-U1-V-7-54,DG4V-3-2C-M-U2-H-7-54,DG4V-3-2C-M-U2-V-7-54,DG4V-3-2C-M-U7-H-52-K,DG4V-3-2C-M-U7-H-7-54,DG4V-3-2C-M-U7-V-7-54,DG4V-3-2D-M-P2-V-7,DG4V-3-2N-M-P2-D-7-54,DG4V-3-2N-M-P2-T-7-50,DG4V-3-2N-M-P2-T-7-52,DG4V-3-2N-M-P2-T-7-54,DG4V-3-2N-M-P2-V-7-50,DG4V-3-2N-M-P2-V-7-52,DG4V-3-2N-M-P2-V-7-54,DG4V-3-2N-M-P7-H-7-50,DG4V-3-2N-M-P7-H-7-52,DG4V-3-2N-M-P7-H-7-54,DG4V-3-2N-M-P7-H-7-55,DG4V-3-2N-M-P7-H-7-PC1-54,DG4V-3-2N-M-P7-T-7-50,DG4V-3-2N-M-P7-T-7-52,DG4V-3-2N-M-P7-T-7-54,DG4V-3-2N-M-U1-H-7-52,DG4V-3-2N-M-U1-H-7-54,DG4V-3-2N-M-U1-T-7-54,DG4V-3-2N-M-U2-H-7-54,DG4V-3-2N-M-U2-V-7-54,DG4V-3-2N-M-U7-H-7-54,DG4V-3-2N-M-U7-V-7-54,DG4V-3-31C-M-P2-D-7-54,DG4V-3-31C-M-P2-T-7-54,DG4V-3-31C-M-P2-V-7-54,DG4V-3-31C-M-P7-H-7-54,DG4V-3-31C-M-P7-T-7-54,DG4V-3-31C-M-U1-H-7-54,DG4V-3-31C-M-U1-V-7-54,DG4V-3-31C-M-U2-H-7-54,DG4V-3-31C-M-U2-V-7-54,DG4V-3-31C-M-U7-H-7-54,DG4V-3-31C-M-U7-V-7-54,DG4V-3-32AL-M-P7-H-7-52,DG4V-3-32A-M-P7-H-7-52,DG4V-3-33C-M-P2-D-7-54,DG4V-3-33C-M-P2-T-7-54,DG4V-3-33C-M-P2-V-7-54,DG4V-3-33C-M-P7-H-7-54,DG4V-3-33C-M-P7-T-7-54,DG4V-3-33C-M-U1-H-7-54,DG4V-3-33C-M-U1-V-7-54,DG4V-3-33C-M-U2-H-7-54,DG4V-3-33C-M-U2-V-7-54,DG4V-3-33C-M-U7-H-7-54,DG4V-3-33C-M-U7-V-7-54,DG4V-3-35AL-M-P7-H-7-52,DG4V-3-35A-M-P7-H-7-52,DG4V-3-3BL-M-P2-B-7-54,DG4V-3-3BL-M-P2-D-7-54,DG4V-3-3BL-M-P2-T-7-54,DG4V-3-3BL-M-P2-V-7-54,DG4V-3-3BL-M-P7-H-7-52,DG4V-3-3BL-M-P7-H-7-54,DG4V-3-3BL-M-P7-T-7-54,DG4V-3-3BL-M-U1-H-7-54,DG4V-3-3BL-M-U1-T-7-54,DG4V-3-3BL-M-U1-V-7-54,DG4V-3-3BL-M-U2-H-7-54,DG4V-3-3BL-M-U2-V-7-54,DG4V-3-3BL-M-U7-H-7-54,DG4V-3-3BL-M-U7-V-7-54,DG4V-3-3B-M-P2-B-7-54,DG4V-3-3B-M-P2-D-7-54,DG4V-3-3B-M-P2-T-7-54,DG4V-3-3B-M-P2-V-7-54,DG4V-3-3B-M-P7-H-7-52,DG4V-3-3B-M-P7-H-7-54,DG4V-3-3B-M-P7-T-7-54,DG4V-3-3B-M-U1-H-7-54,DG4V-3-3B-M-U1-T-7-54,DG4V-3-3B-M-U1-V-7-54,DG4V-3-3B-M-U2-H-7-54,DG4V-3-3B-M-U2-V-7-54,DG4V-3-3B-M-U7-H-7-54,DG4V-3-3B-M-U7-V-7-54,DG4V-3-3C-M-P2-D-7-54,DG4V-3-3C-M-P2-T-7-54,DG4V-3-3C-M-P2-V-7-54,DG4V-3-3C-M-P7-H-7-54,DG4V-3-3C-M-P7-T-7-54,DG4V-3-3C-M-U1-H-7-52,DG4V-3-3C-M-U1-H-7-52-JA,DG4V-3-3C-M-U1-H-7-52-JA66,DG4V-3-3C-M-U1-H-7-54,DG4V-3-3C-M-U1-V-7-54,DG4V-3-3C-M-U2-H-7-54,DG4V-3-3C-M-U2-V-7-54,DG4V-3-3C-M-U7-H-7-54,DG4V-3-3C-M-U7-V-7-54,DG4V-3-3C-P7-H-54,DG4V-3-541B-M-P7-H-7-54,DG4V-3-561B-M-P7-H-7-54,DG4V-3-6AL-M-P7-H-7-52,DG4V-3-6A-M-P2-T-7-52,DG4V-3-6A-M-P7-H-7-52,DG4V-3-6BL-M-P2-B-7-54,DG4V-3-6BL-M-P2-D-7-54,DG4V-3-6BL-M-P2-T-7-54,DG4V-3-6BL-M-P2-V7-54,DG4V-3-6BL-M-P2-V-7-54,DG4V-3-6BL-M-P7-H-7-52,DG4V-3-6BL-M-P7-H-7-54,DG4V-3-6BL-M-P7-T-7-54,DG4V-3-6BL-M-U1-H-7-54,DG4V-3-6BL-M-U1-T-7-54,DG4V-3-6BL-M-U1-V-7-54,DG4V-3-6BL-M-U2-H-7-54,DG4V-3-6BL-M-U2-V-7-54,DG4V-3-6BL-M-U7-H-7-54,DG4V-3-6BL-M-U7-V-7-54,DG4V-3-6B-M-P2-B-7-54,DG4V-3-6B-M-P2-D-7-54,DG4V-3-6B-M-P2-T-7-54,DG4V-3-6B-M-P2-V-7-54,DG4V-3-6B-M-P7-H-7-52,DG4V-3-6B-M-P7-H-7-54,DG4V-3-6B-M-P7-T-7-54,DG4V-3-6B-M-U1-H-7-54,DG4V-3-6B-M-U1-T-7-54,DG4V-3-6B-M-U1-V-7-54,DG4V-3-6B-M-U2-H-7-54,DG4V-3-6B-M-U2-V-7-54,DG4V-3-6B-M-U7-H-7-54,DG4V-3-6B-M-U7-V-7-54,DG4V-3-6B-M-U-H7-60,DG4V-3-6C-M-P2-D-7-54,DG4V-3-6C-M-P2-T-7-52,DG4V-3-6C-M-P2-T-7-52-JA137,DG4V-3-6C-M-P2-T-7-54,DG4V-3-6C-M-P2-T-7-56,DG4V-3-6C-M-P2-V-7,DG4V-3-6C-M-P2-V-7-52,DG4V-3-6C-M-P2-V-7-52T,DG4V-3-6C-M-P2-V-7-52T-DG3-8-2C-10,DG4V-3-6C-M-P2-V-7-54,DG4V-3-6C-M-P7-H-7-52,DG4V-3-6C-M-P7-H-7-54,DG4V-3-6C-M-P7-H-7-56,DG4V-3-6C-M-P7-T-7-52,DG4V-3-6C-M-P7-T-7-54,DG4V-3-6C-M-P7-T-7-54-JA20,DG4V-3-6C-M-U1-H-7-52-JA16,DG4V-3-6C-M-U1-H-7-54,DG4V-3-6C-M-U1-H-7-54-JA16,DG4V-3-6C-M-U1-H-7-P08-54,DG4V-3-6C-M-U1-V-7-54,DG4V-3-6C-M-U2-H-7-54,DG4V-3-6C-M-U2-H-7-P20-54,DG4V-3-6C-M-U2-V-7-54,DG4V-3-6C-M-U7-H-52-K,DG4V-3-6C-M-U7-H-7-54,DG4V-3-6C-M-U7-V-7-54,DG4V-3-6C-P2-T-7-54,DG4V-3-6C-P2-V-7-54,DG4V-3-6N-M-U1-H7-52,DG4V-3-6N-MU-H7-60,DG4V-3-7A-M-P7-H-7-52,DG4V-3-7B-M-P7-H-7-54,DG4V-3-7B-M-P7-T-7-54,DG4V-3-7C-M-P2-D-7-54,DG4V-3-7C-M-P2-T-7-54,DG4V-3-7C-M-P2-V-7-54,DG4V-3-7C-M-P7-H-7-52-JA54,DG4V-3-7C-M-P7-H-7-54,DG4V-3-7C-M-P7-T-7-52,DG4V-3-7C-M-P7-T-7-52-JA,DG4V-3-7C-M-P7-T-7-52-JA18SA,DG4V-3-7C-M-P7-T-7-52-JA54,DG4V-3-7C-M-P7-T-7-54,DG4V-3-7C-M-P7-T-7-54-JA18SA,DG4V-3-7C-M-P7-T-7-54-JA54,DG4V-3-7C-M-PS2-H-7-54-JA487,DG4V-3-7C-M-U1-H-7-54,DG4V-3-7C-M-U1-T-7-54,DG4V-3-7C-M-U1-V-7-54,DG4V-3-7C-M-U2-H-7-54,DG4V-3-7C-M-U2-V-7-54,DG4V-3-7C-M-U7-H-52-K,DG4V-3-7C-M-U7-H-7-54,DG4V-3-7C-M-U7-H-7-B10-54,DG4V-3-7C-M-U7-V-7-54,DG4V-3-8BL-M-P7-V-7-P10-52,DG4V-3-8C-M-P2-D-7-54,DG4V-3-8C-M-P2-T-7-52,DG4V-3-8C-M-P2-T-7-54,DG4V-3-8C-M-P2-V-7-54,DG4V-3-8C-M-P2-V-T,DG4V-3-8C-M-P7-H-7-54,DG4V-3-8C-M-P7-T-7-54,DG4V-3-8C-M-U1-H-7-54,DG4V-3-8C-M-U1-V-7-54,DG4V-3-8C-M-U2-H-7-54,DG4V-3-8C-M-U2-V-7-54,DG4V-3-8C-M-U7-H-7-54,DG4V-3-8C-M-U7-V-7-54,DG4V-3-D 200V,DG4V-3--N-M-U1-V-7-54,DG4V-3-OA-M-U1-V-7-54,DG4V-3-OB-M-P2-H-7-54,DG4V-3-OB-M-P7-H-7-52,DG4V-3-OB-M-P7-H-7-54,DG4V-3-OB-M-P7-H-P10-54,DG4V-3-OB-M-P7-T-7-54,DG4V-3-OC-M-P2-V-7-54,DG4V-3-P2-T-52D,DG4V-3S-0A-MU-H5-60,DG4V-3-T 100V
DG4V-5 系列:DG4V-5,DG4V-5-0AL-M-U7L-H-7-40,DG4V-5-0A-M-P7L-H-7-40,DG4V-5-0A-M-PL-0V-6-40,DG4V-5-0A-M-PL-T-6-40,DG4V-5-0A-MU-H6-20,DG4V-5-0B-M-P7L-H-7-40-JA1Y,DG4V-5-0B-M-P7L-H-7-40-JAIY,DG4V-5-0B-M-U7L-H-7-40,DG4V-5-0C-M-PL-0V-6-40,DG4V-5-22A-M-PL-T-6-40,DG4V-5-23A-M-P7L-T-6-40,DG4V-5-23A-M-P7L-T-6-40-JA755Y,DG4V-5-23A-M-PL-T-6-40,DG4V-5-2AL-M-U7L-H-7-40,DG4V-5-2A-M-7PL-H-7-40-JA1Y,DG4V-5-2A-M-P2-D-7-54,DG4V-5-2A-M-P7L-H-7-40,DG4V-5-2A-M-P7L-H-7-40-JA1Y,DG4V-5-2A-M-P7L-H-7-40-JAIY,DG4V-5-2A-M-P7L-T-6-40-JA1Y,DG4V-5-2A-M-P9L-VR-7-40,DG4V-5-2A-M-PL-0V-6-40,DG4V-5-2A-M-PL-D-6-40,DG4V-5-2A-M-PL-H-7-40,DG4V-5-2A-M-PL-OV-6-40,DG4V-5-2A-M-PL-T-6,DG4V-5-2A-M-PL-T-6-40,DG4V-5-2A-M-U7L-H-7-40,DG4V-5-2BL-M-P7L-H-7-40-JA1Y,DG4V-5-2BL-M-P7L-T-6-40,DG4V-5-2BL-M-PL-T-6-40,DG4V-5-2B-M-P7L-H-7-40-JA867,DG4V-5-2B-M-U1-H-7-40,DG4V-5-2B-M-U7L-H-7-40,DG4V-5-2B-M-U7L-H-7-40-JA867,DG4V-5-2C-M-P7L-H-7-40,DG4V-5-2C-M-PL-0V-6-40,DG4V-5-2C-M-PL7-H-7-40CKIT,DG4V-5-2C-M-PL-D-6-40,DG4V-5-2C-M-PL-OV-6-40,DG4V-5-2C-M-PL-T-6-40,DG4V-5-2C-M-U1-H-7-40,DG4V-5-2C-M-U7L-H-7-50,DG4V-5-2N-M-P7L-T-6-40,DG4V-5-2N-M-PL-T-6-40,DG4V-5-2N-M-PL-T-6-40-P30,DG4V-5-2N-M-U7L-H-7-40,DG4V-5-31C-M-P7L-H-6-JA415Y,DG4V-5-31C-M-P7L-H-6-S415,DG4V-5-31C-M-P7L-H-7-40,DG4V-5-31C-M-PL-0V-6-40,DG4V-5-31C-M-PL-T-6-40,DG4V-5-33C-M-P7L-H-7-40,DG4V-5-33C-M-P7L-H-7-40-JA569Y,DG4V-5-33C-M-P7L-T-6-40,DG4V-5-33C-M-PL-0V-6-40,DG4V-5-33C-M-PL-T-6-40,DG4V-5-3BL-M-P7L-H-7-40-JA1Y,DG4V-5-3BL-M-PTL-H-7-40-JA1Y,DG4V-5-3B-M-PL-OV-6-40,DG4V-5-3C-M-P7L-H-7-40-JA415,DG4V-5-3C-M-P7L-H-7-40JA415Y,DG4V-5-3C-M-P7L-H-7-40-JA415Y,DG4V-5-3C-M-P7L-H-7-40-JA710,DG4V-5-3C-M-PL-T-6-40,DG4V-5-3C-M-PL-T-6-40-P15,DG4V-5-3C-M-PS2-T-7-40,DG4V-5-6A-M-PL-T-6-40,DG4V-5-6B-M-P7L-H-7-40,DG4V-5-6C-M-P2-D-7-54,DG4V-5-6C-M-P2-T-7-40,DG4V-5-6C-M-P7L-H-7-40,DG4V-5-6C-M-P7L-T-6-40,DG4V-5-6C-M-P9L-VR-7-40,DG4V-5-6C-M-PL-0V-6-40,DG4V-5-6C-M-PL-D-6-40,DG4V-5-6C-M-PL-OV-6-40,DG4V-5-6C-M-PL-T-6-40,DG4V-5-6C-M-U7L-H-7-40,DG4V-5-7C-M-P7L-H-7-40-JA487,DG4V-5-7C-M-P7L-H-7-40-JA487Y,DG4V-5-7C-M-U7L-H-7-40,DG4V-5-8C-M-PL-0V-6-40,DG4V-5-8C-M-PL-D-6-40,DG4V-5-OB-M-P7L-H-40-JA1Y,DG4V-5-OB-M-P7L-H-7-40-JA1Y,DG4V-5-OB-M-P7L-H-7-40-JAIY
DG4VC 系列:DG4VC-3,DG4VC-3-0C-M-PS2-H-7-54,DG4VC-3-2AL-M-PSR-H-7-52,DG4VC-3-2A-M-PS2-H-7-52,DG4VC-3-2A-M-PS2-H-7-52-JA100,DG4VC-3-2A-M-PS2-H-7-54-JA100,DG4VC-3-2A-M-PS2-H-7-P16-52,DG4VC-3-2A-M-PS2-H-7-P20-T15-54,DG4VC-3-2A-PS2-H-7-P16-54,DG4VC-3-2C-M-PS2-H-7-52-JA100,DG4VC-3-2C-M-PS2-H-7-52-JA277,DG4VC-3-2N-M-PN2-H-7-54,DG4VC-3-2N-M-PS1-H-7-52,DG4VC-3-2N-M-PS1-H-7-54,DG4VC-3-2N-M-PS2-H-7-52,DG4VC-3-6C-M-PS2-H-7-52-JA100,DG4VC-3-6C-M-PS2-H-7-54,DG4VC-3-6C-M-PS2-H-7-54-JA100,DG4VC-3-7C-M-PS2-H-7-52,DG4VC-3-7C-M-PS2-H-7-54,DG4VC-3-8C-PS2-H-5,DG4VC-3-8C-PS2-H-52,DG4VC-3-OB-M-PS2-H-7-P12-54,DG4VC-3-OC-M-PS2-H-7-52,DG4VC-3-OC-M-PS2-H-7-54,DG4VC-5,DG4VC-5-24A-M-PS2-H-7-40,DG4VC-5-2A-M-PS2-H-7-40,DG4VC-5-2A-M-PS2-H-7-40-15,DG4VC-5-2A-M-PS2-H-7-40-JA872-T30,DG4VC-5-2A-M-PS2-H-7-40-P15,DG4VC-5-2A-M-PS2-H-7-40-T30,DG4VC-5-2B-M-PS2-H-7-40,DG4VC-5-2N-M-PS2-H-7-40,DG4VC-5-3BL-M-PS2-H-7-40
一、型號分段拆解
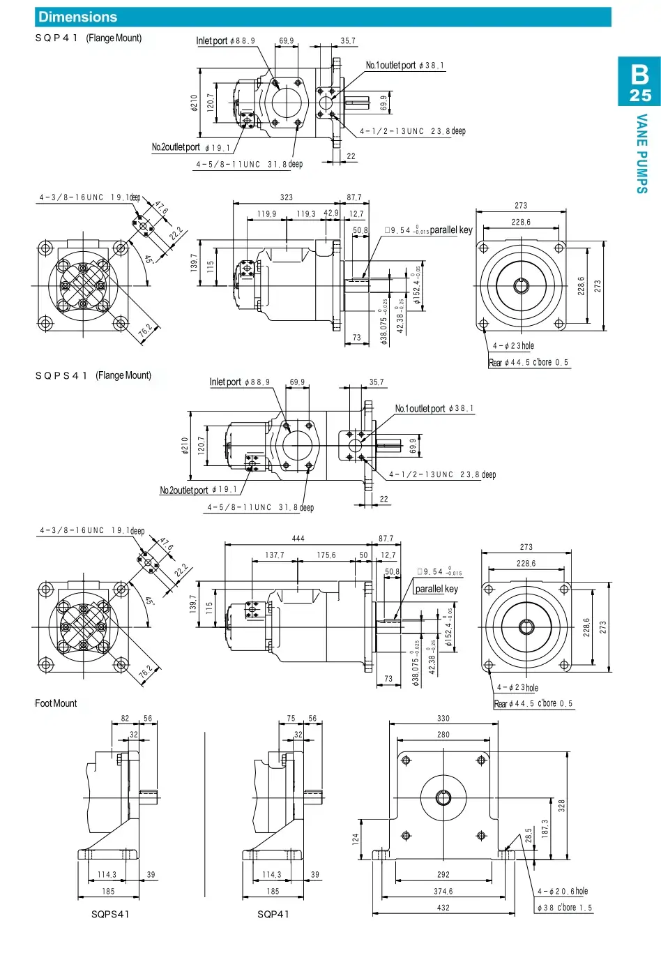
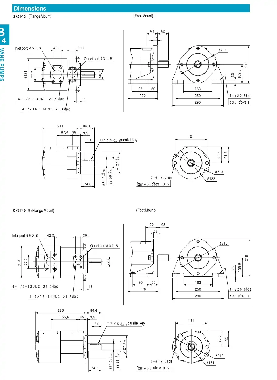
SQP3 38 1C2 - 18
1. SQP3
- SQP:低噪音子母式定量葉片泵 系列代號
- 3:泵本體規格機號 3 號 決定殼體大小、安裝法蘭、軸徑、外形安裝基準尺寸
2. 38
公稱排量代碼
代表該單泵標準理論排量規格,是該機號下固定排量編碼,對應固定流量幾何排量。
3. 1C2
分段釋義:1 + C2
- 1:安裝形式 + 軸伸規格代號 標準法蘭安裝、標準平鍵軸伸,通用標準安裝規格
- C2:油口位置 / 配流結構 / 旋轉方向組合代碼 包含:進出油口方位、泵旋轉方向、配流盤標配結構、內部側板補償配置
4. 18
設計版本 / 結構改良代號
代表內部鑄件、配流盤、側板、密封套件的優化版本,同型號可直接互換通用,不影響安裝與接口尺寸。
二、結構與屬性
- 結構形式:單聯定量靜音葉片泵
- 泵芯結構:子母葉片、壓力側板間隙補償
- 特性:低噪音、容積效率高、適合長期連續運轉
- 安裝方式:法蘭固定式安裝
- 軸端形式:標準平鍵軸伸
三、通用標準工況參數
- 額定工作壓力:14MPa
- 最高峰值壓力:17.5MPa
- 適用轉速范圍:600~1800r/min
- 適用液壓油:ISO VG32、VG46 抗磨液壓油
- 適用油溫:40~60℃常規工業工況
四、適用場景
機床液壓站、輕工機械、木工設備、液壓夾具、中小型通用液壓動力單元。
本文由蘇州逐利機電整理發布,如需轉載請瀏覽來源及出處,原文地址:http://m.fjptba.com/yyyb/931.html






留言信息