SAMEK泵芯 低高壓雙聯葉片泵 3520V 35A/38A/45A-1CR/1AR/1DR/1BR

排除液壓系統故障的方法步驟
現在液壓機械中很重要的還是液壓系統,但很多的客戶雖然是會操作,但當液壓系統出現問題,卻不知道怎麼來排查故障而已,怎樣排除液壓系統的故障?
① 放去舊油;
② 清洗儲油器和通氣口,擦洗時要用布類,不要用棉紗;
③ 清洗或重換過濾器芯子及濾油網;
④ 拆??所有的主要組合件,用柴油(不要用汽油,因汽油洗過的精密件表面會發干)清洗各零件。不能拆??時,可用輕滑油或機油與煤油各半摻合的調合油去清洗。禁止用化學清洗劑去清洗,因它們可能會損壞油封和填料,而且它們粘附在零件表面上的殘渣可能會腐蝕金屬和弄臟工作油;
⑤ 將洗好了的零件重新裝配,裝配時要按規定的扭力矩擰緊每個螺栓和螺釘;
⑥ 排出第1次加入的油。此油在新裝好后的系統內循環工作是為了沖冼系統內部可能存在的污物,故應排出。排油后,再次清洗過濾器和濾網;
⑦ 使液壓系統空載運行,并使之循環3、4次,以便放去空氣;
⑧ 以工廠推薦牌號的新油按規定量重新加入系統內;必要時在工作了前48h后,再清洗一次過濾器。
以上就是排除液壓系統故障的方法步驟。





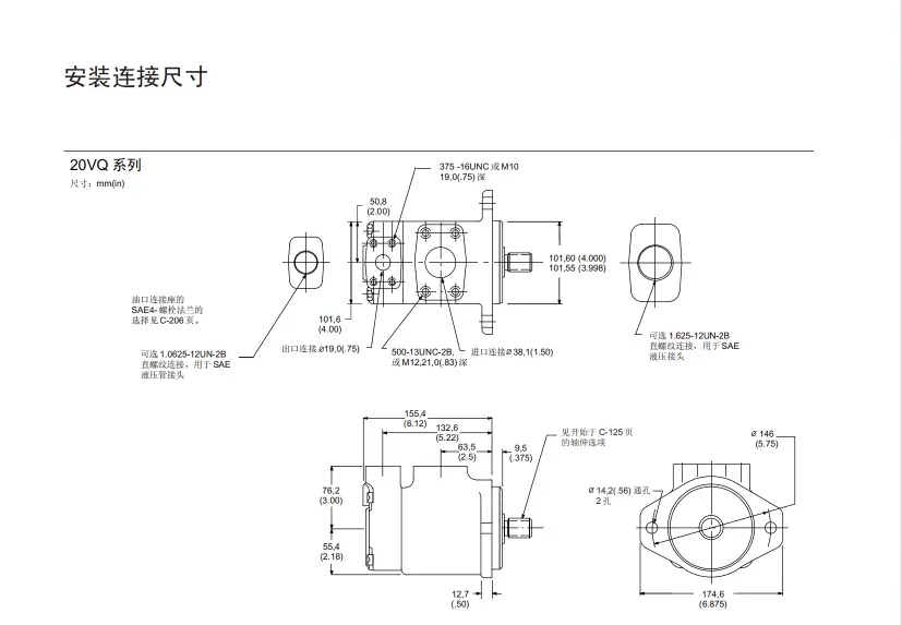
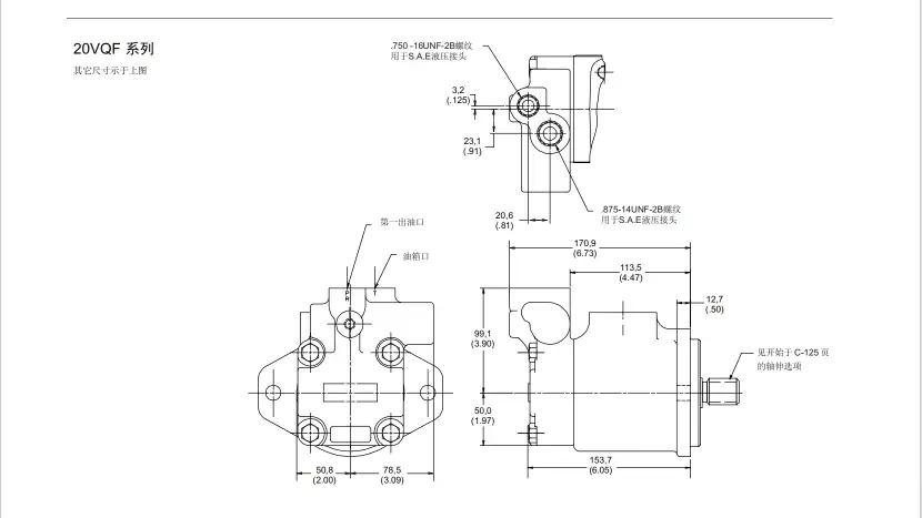
20系列
20V25A-1CR 20VQ
2520系列
2520V/VQ 2520V17A14-1AD22L 2520VQ
2525系列
2525V/VQ 2525VQ
25系列
25V/VQ 25V-10A 25V10A-1DR-10 25V-12A 25V-14A 25V-15A 25V17A-1A22R 25V20 25V21A 25V-21A-1B-22R 25V25
25VQ12MS86BR 25VQ17A-1BR 25VQ17A-1CR 25VQ25A-1A20L 25VQ25A-86DR 3520V/VQ
3520系列
3520VQ 3520VQ21A8S-1BBR
3525系列
3525V/VQ 3525V-25A25 3525v-38a21-86aa-22r 3525VQ 3525VQ-25A14-1DB 35V/VQ
35系列
35V20 35V-21/25A-1/86A-22R 35V25 35V-35A-1/86D-22R 35V35A-1BR 35V38A-1/86-C/D-22R
35VQ25A-1C/BR 35VQ30 35VQ30A-1CR 35VQ35 35VQ35A-1AR 35VQ35A-1CR 35VQ38 35VQ42
4520系列
4520V/VQ 4520VQ 4520VQ-60/11A-1AA 4520VQ-60/12A-1AA 4520VQ-60/14A-1AA
4520VQ-60/5A-1AA 4520VQ-60/6A-1AA 4520VQ-60/7A-1AA 4520VQ-60/8A-1AA
4520VQ-60/9A-1AA 4520VQ-66/11A-1AA 4520VQ-66/12A-1AA 4520VQ-66/14A-1AA
4520VQ-66/5A-1AA 4520VQ-66/6A-1AA 4520VQ-66/7A-1AA 4520VQ-66/8A-1AA
4520VQ-66/9A-1AA 4520VQ-75/11A-1AA 4520VQ-75/12A-1AA 4520VQ-75/14A-1AA
4520VQ-75/5A-1AA 4520VQ-75/6A-1AA 4520VQ-75/7A-1AA 4520VQ-75/8A-1AA
4520VQ-75/9A-1AA 4525V/VQ 4525V60A17-1AC22L 4525VQ 4535V/VQ
4535系列
4535V-50A35-86 4535V60A38-1AA-22R 4535V-60A38-1CC-22R 4535VQ
45系列
45V/VQ 45V20 45V25 45V35 45V60A-001C-22R 45V75A
45VQ42 45VQ47 45VQ50 45VQ50A 45VQ57 45VQ60 45VQ60A 45VQ66 45VQ75
本文由蘇州逐利機電整理發布,如需轉載請瀏覽來源及出處,原文地址:http://m.fjptba.com/yyyb/64.html






留言信息