Samek美國薩梅克2520V-17/19/21/11A/12A/14A-1/86AA/CC葉片泵

導緻液壓系統葉片泵出現故障的常見現象
當液壓系統葉片泵在設備上運用的時候,都會出現一些現象,比如說:瞬間超壓、軸承卡環脫落、吸油不暢等等現象,本文就來和大家說一說液壓系統葉片泵常見的一些現象:
1、油溫太高
(1)由于未裝冷卻裝置,在機器連續使用中,油溫會不斷升高。如果油溫長期高達70°以上時,葉片泵壽命會大大縮短,一般在半年到一年中就會損壞。
2、油液太臟
(1)由于油箱不是密封狀態,周圍粉塵及雜物混入油液中緻使油液的清潔度超過標準,如果過濾器精度不夠或無過濾器,泵芯就會很快劃傷并損壞。
3、油液變質
(1)由于使用了過期的液壓油或再生油,使泵芯零件表面呈黑色狀或粘膠狀,油中的雜物、毒物及腐蝕性可使油泵早期損壞,再生的過期油因缺乏潤滑及抗磨性也會使泵芯壽命大大的縮短,甚至將葉片及泵芯粘死不能運動。
(2)抗磨液壓油的使用壽命按石油公司介紹是2000-3000小時(連續半年),環境較好時可延長壽命至6000小時(約一年),所以,建議客戶每年更換一次新油。
4、連軸器安裝錯誤
(1)由于連軸器與軸配合間隙太小或無間隙,在用力敲擊時,軸承會受傷,導緻軸承早期損壞而影響整個泵芯的壽命。再有,連軸器在安裝時如果沒有一定的軸向間隙,用螺絲直接硬性將泵安裝到泵套上,就會使軸承軸向受力,如果長期承受軸向受力,軸承就會很快損壞并産生偏心而秧及了泵芯,表面上看象是泵芯出了故障,其實始作俑者是軸承。
5、同軸度超差
(1)如果安裝時同軸度超過規定值,會使軸承及整個泵芯偏心而早期損壞,軸也會被切斷(軸切斷在軸頭最粗的地方),同軸度一般控制在≦0.1毫米左右為好。
6、油中進水
(1)在有水冷卻的裝置中,由于密封不好導緻水進入油液中,油液呈乳白狀(乳化),油泵內部金屬零件會生銹或局部銹蝕,葉片泵在高速旋轉中會加速磨損并縮短壽命,油泵的軸封也會早期損壞并使泵軸漏油。
7、變換油口方向
(1)當油口方向不合適,沒有經驗的客戶自己調整時,未將泵芯肖子插進肖孔里去(旋轉時拔出造成),這時油泵吸油口空間縮小,吸油遇阻吸油不暢,表現為:噪音特大,壓力擺動,長時間使用會使油溫升高過快,定子內曲缐沖擊成波紋狀后壽命會縮短。再有,旋轉時將密封圈切邊或螺釘緊固不勻還會産生漏油現象。





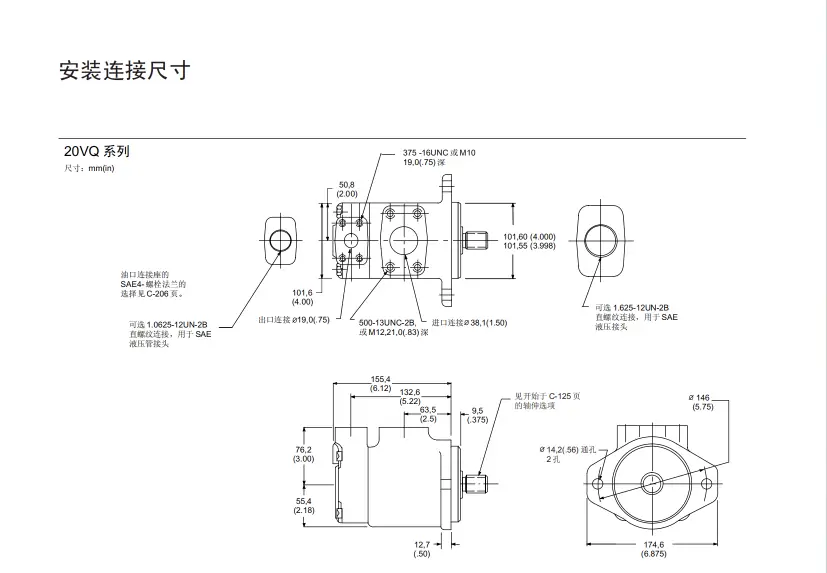
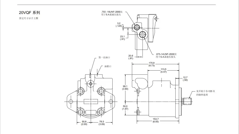
20系列
20V25A-1CR 20VQ
2520系列
2520V/VQ 2520V17A14-1AD22L 2520VQ
2525系列
2525V/VQ 2525VQ
25系列
25V/VQ 25V-10A 25V10A-1DR-10 25V-12A 25V-14A 25V-15A 25V17A-1A22R 25V20 25V21A 25V-21A-1B-22R 25V25
25VQ12MS86BR 25VQ17A-1BR 25VQ17A-1CR 25VQ25A-1A20L 25VQ25A-86DR 3520V/VQ
3520系列
3520VQ 3520VQ21A8S-1BBR
3525系列
3525V/VQ 3525V-25A25 3525v-38a21-86aa-22r 3525VQ 3525VQ-25A14-1DB 35V/VQ
35系列
35V20 35V-21/25A-1/86A-22R 35V25 35V-35A-1/86D-22R 35V35A-1BR 35V38A-1/86-C/D-22R
35VQ25A-1C/BR 35VQ30 35VQ30A-1CR 35VQ35 35VQ35A-1AR 35VQ35A-1CR 35VQ38 35VQ42
4520系列
4520V/VQ 4520VQ 4520VQ-60/11A-1AA 4520VQ-60/12A-1AA 4520VQ-60/14A-1AA
4520VQ-60/5A-1AA 4520VQ-60/6A-1AA 4520VQ-60/7A-1AA 4520VQ-60/8A-1AA
4520VQ-60/9A-1AA 4520VQ-66/11A-1AA 4520VQ-66/12A-1AA 4520VQ-66/14A-1AA
4520VQ-66/5A-1AA 4520VQ-66/6A-1AA 4520VQ-66/7A-1AA 4520VQ-66/8A-1AA
4520VQ-66/9A-1AA 4520VQ-75/11A-1AA 4520VQ-75/12A-1AA 4520VQ-75/14A-1AA
4520VQ-75/5A-1AA 4520VQ-75/6A-1AA 4520VQ-75/7A-1AA 4520VQ-75/8A-1AA
4520VQ-75/9A-1AA 4525V/VQ 4525V60A17-1AC22L 4525VQ 4535V/VQ
4535系列
4535V-50A35-86 4535V60A38-1AA-22R 4535V-60A38-1CC-22R 4535VQ
45系列
45V/VQ 45V20 45V25 45V35 45V60A-001C-22R 45V75A
45VQ42 45VQ47 45VQ50 45VQ50A 45VQ57 45VQ60 45VQ60A 45VQ66 45VQ75
本文由蘇州逐利機電整理發布,如需轉載請瀏覽來源及出處,原文地址:http://m.fjptba.com/yyyb/65.html






留言信息